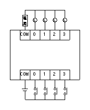
法人向けトップ > 電子デバイス・産業用機器 > 制御機器トップ > サービス・サポート > FA技術サポート > 配線時サポート > ピン配列・端子配列 > FP1 8点増設ユニット 入出力タイプ 端子配列図
ページトップへ戻る
0120-394-205
メールお問い合わせ
ご購入相談
よくあるご質問
カタログ請求
用途・事例・ アプリケーション検索
FA技術サポート
動画ライブラリ
既存の設備につなぐだけ Small Start IoT!
ライフサイエンス分野課題解決事例
FAセンサ・システム展示会ダイジェスト