パナソニック インダストリー / 制御機器

パナソニック・ホーム 法人向けトップ > 電子デバイス・産業用機器 > 制御機器トップ > サービス・サポート > FA技術サポート > 配線時サポート > ピン配列・端子配列 > FP7 トランジスタ出力ユニット64点 シンクタイプ AFP7Y64T 内部回路図・端子配列図

FP7 トランジスタ出力ユニット64点 シンクタイプ AFP7Y64T
内部回路図・端子配列図

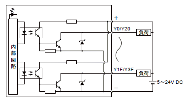
内部回路図

端子配列図

+端子および-端子は、それぞれ内部でつながっていますが、外部でも接続してください。

ページトップへ戻る

ページトップへ戻る

商品に関するお問い合わせ
FAセンサ・システム
技術サポート

0120-394-205

ダウンロード

レーザー溶着 工法読本 レーザ溶着工法読本をダウンロードする

ライフ サイエンス分野 分注工程に おける 課題解決事例 検体検査装置編 ライフサイエンス 分注工程における課題解決事例 検体検査装置編