パナソニック インダストリー / 制御機器

4入力4出力でデジSW4桁

解説

対象機種

FPシリーズ(FP7を除く)

説明

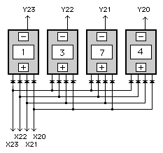
入力4点/出力4点を使用してデジタルSW4桁を取り込みます。取り込んだ内容はDT0にBCDの形式で格納します。

ページトップへ戻る

ラダープログラム

ページトップへ戻る

プログラマブルコントローラ サンプルプログラム集 周辺機器との接続編 eブックをダウンロードする

ページトップへ戻る

ページトップへ戻る

商品に関するお問い合わせ
FAセンサ・システム
技術サポート

0120-394-205

ダウンロード

レーザー溶着 工法読本 レーザ溶着工法読本をダウンロードする

ライフ サイエンス分野 分注工程に おける 課題解決事例 検体検査装置編 ライフサイエンス 分注工程における課題解決事例 検体検査装置編