パナソニック インダストリー / 制御機器

パナソニック・ホーム 法人向けトップ > 電子デバイス・産業用機器 > 制御機器トップ > サービス・サポート > FA技術サポート > 配線時サポート > ケーブル/アダプタ詳細仕様 > AFC8503S (FP0/FP2/FP-M⇔DOS/Vパソコン接続用・ストレートプラグ) 外形寸法図・ピン配列

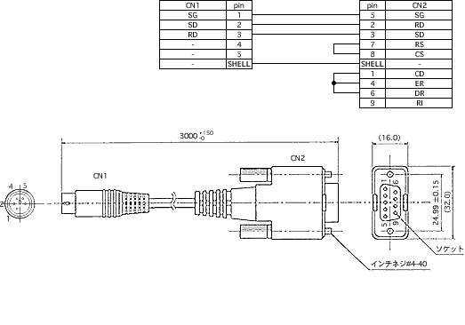
AFC8503S (FP0/FP2/FP-M⇔DOS/Vパソコン接続用・ストレートプラグ)
外形寸法図・ピン配列

外形寸法図・ピン配列図

AFC8503S (FP0/FP2/FP-M⇔DOS/Vパソコン接続用・ストレートプラグ) 外形寸法図・ピン配列

ページトップへ戻る

ページトップへ戻る

商品に関するお問い合わせ
FAセンサ・システム
技術サポート

0120-394-205

ダウンロード

レーザー溶着 工法読本 レーザ溶着工法読本をダウンロードする

ライフ サイエンス分野 分注工程に おける 課題解決事例 検体検査装置編 ライフサイエンス 分注工程における課題解決事例 検体検査装置編