パナソニック インダストリー / 制御機器

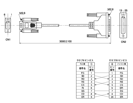
AFB85813 (FP10SH用:9ピンオス-25ピンオス) 外形寸法図・ピン配列

外形寸法図・ピン配列図

AFB85813 (FP10SH用:9ピンオス-25ピンオス) 外形寸法図・ピン配列

ページトップへ戻る

ページトップへ戻る

商品に関するお問い合わせ
FAセンサ・システム
技術サポート

0120-394-205

ダウンロード

レーザー溶着 工法読本 レーザ溶着工法読本をダウンロードする

ライフ サイエンス分野 分注工程に おける 課題解決事例 検体検査装置編 ライフサイエンス 分注工程における課題解決事例 検体検査装置編