法人向けトップ
> 電子デバイス・産業用機器
> 制御機器トップ
> サービス・サポート
> FA技術サポート
> 設定例・設定手順集
> その他 No.3 シチズン・システムズ社 サーマルプリンターCTシリーズ 接続図
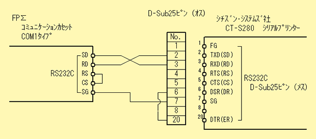
●FP-X/FPΣ COM1カセット

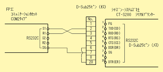
●FP-X/FPΣ COM2カセット

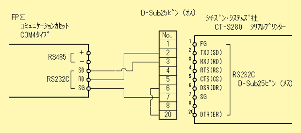
●FP-X/FPΣ COM4カセット

●FP2/FP2SH
・COMポート
・マルチコミュニケーションユニット
・シリアルデータユニット

●FPΣV3/FP-X
・TOOLポート

| ・通信モード | : | 汎用通信 |
|---|---|---|
| ・通信速度 | : | 19200bps |
| ・通信フォーマット | : | データ長8ビット・パリティ奇数・ストップ1ビット |


(SW8の内容が機種により異なります。)