法人向けトップ
> 電子デバイス・産業用機器
> 制御機器トップ
> サービス・サポート
> FA技術サポート
> システム提案
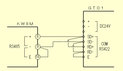
> 提案資料 No.13 KW8MにGT01を直接つないだ離れた場所での電力表示
GT01とKW8MをPLCを介さずに直接つなぎ、積算電力や瞬時電力を表示させます。

GTシリーズは本来PLCを接続しますが、当社PLCと同じプロトコルを持つエコパワメータKW8Mと接続することもできます。
しかし、KW8Mには内部リレーや基本通信エリアで使用できるDTのエリアはありませんので、それらのエリアへアクセスする通信コマンドがGTシリーズから送信されない必要があります。
この事例は、その様な通信コマンドを送信せずにKW8Mと接続する為の設定を紹介します。
| 商品 | 品番 | 個数 |
|---|---|---|
| GT01 (DC24V、RS485タイプ) |
AIGT0032H |
1 |
| KW8M | AKW8111 |
1 |
| CT | AKW4801 (5A/50Aの場合) |
1~3 |


| ワードエリア | : | GDT0 |
|---|---|---|
| ビットエリア | : | WGR0 |
【ポイント】
基本通信エリアにDTやWRではなく、GDTとWGRを使用することで、KW8Mに対して基本通信エリアの通信処理は行わなくなります。

| 転送速度 | : | 19200bps |
|---|---|---|
| データ長 | : | 8bit |
| パリティ | : | 奇数 |

・データ部品No.0
| 表示桁数 | : | 5(少数点以下2桁) |
|---|---|---|
| データ形式 | : | DEC(2W符号無し) |
| 参照デバイス | : | DT176 |
・データ部品No.1
| 表示桁数 | : | 5(少数点以下2桁) |
|---|---|---|
| データ形式 | : | DEC(2W符号無し) |
| 参照デバイス | : | DT100 |
| 局番 | ・・・ | 1 |
|---|---|---|
| 通信速度 | ・・・ | 19200bps |
| 通信フォーマット | ・・・ | データ長8ビット・パリティ奇数 |
