法人向けトップ
> 電子デバイス・産業用機器
> 制御機器トップ
> サービス・サポート
> FA技術サポート
> システム提案
> 提案資料 No.15 KT4HにGT01を直接つないだ離れた場所での温度表示・設定
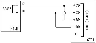
GT01とKT4HをPLCを介さずに直接つなぎ、現在温度の表示と目標温度の設定を行います。

GTシリーズは本来PLCを接続しますが、当社PLCと同じプロトコルを持つ温度調節器KT4Hと接続することもできます。
しかし、KT4Hには内部リレーや基本通信エリアで使用できるDTのエリアはありませんので、それらのエリアへアクセスする通信コマンドがGTシリーズから送信されない必要があります。
この事例は、その様な通信コマンドを送信せずにKT4Hと接続する為の設定を紹介します。
| 商品 | 品番 |
個数 |
|---|---|---|
| GT01 (DC24V、RS485タイプ) |
AIGT0032H |
1 |
KT4H |
AKT1111001 |
1 |


| ワードエリア | : | GDT0 |
|---|---|---|
| ビットエリア | : | WGR0 |
【ポイント】
基本通信エリアにDTやWRではなく、GDTとWGRを使用することで、KT4Hに対して基本通信エリアの通信処理は行わなくなります。

| 転送速度 | : | 19200bps |
|---|---|---|
| データ長 | : | 8bit |
| パリティ | : | 奇数 |

(キーボード部品が無い状態)

・データ部品No.0
| 表示桁数 | : | 5(少数点以下1桁) |
|---|---|---|
| データ形式 | : | DEC(1W符号無し) |
| 参照デバイス | : | DT356 |
・データ部品No.1
| 表示桁数 | : | 5(少数点以下1桁) |
|---|---|---|
| データ形式 | : | DEC(1W符号無し) |
| 参照デバイス | : | DT102 |
| 局番 | : | 1 |
|---|---|---|
| 通信速度 | : | 19200bps |
| 通信フォーマット | : | データ長8ビット・パリティ奇数 |


